Просто и доступно отвечаем на эти и др. актуальные вопросы.
Смотрите комплексный видеообзор на нашем youtube.com канале о безопасности сейфовых конструкций от нашего предприятия, какие они бывают и не самых обычных решениях.
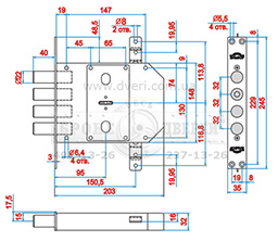
4 ригеля Ø22 мм, а не 18 мм, как у большинства других замков. Особенность ригелей при вылете в 40 мм: ещё 30 мм остаётся в корпусе замка, в то время когда у большинства других замков в корпусе остаётся около 3-5 мм. Это исключает возможность загиба ригелей в случае попытки отжима бронедвери ломом и т. п.;
каленая бронепластина в комплекте, защищающая от высверливания;
12 сувальд с «ложными пазами» усложняют вскрытие отмычками.
НОВИНКА! Верхний замок Эльбор Сапфир Smart Trap
Замок Эльбор Сапфир российского производства - это довольно редкий в Украине замок, который является одним из самых дорогих замков компании Эльбор. Это очень мощный замок с очень высоким сопротивлением к силовому взлому двери. Компания "Весь мир бронедверей" рекомендует такой замок ставить на входные двери с высоким классом защиты от взлома не ниже 4-5 класса по стандарту ENV 1627.
Новая модель замка Эльбор Сапфир Smart Trap за счет специальной шторки очень эффективно помогает защититься от большинства отмычек. В том числе и самоимпрессионной.
Наш тест замка Эльбор Сапфир
Компания "Весь мир бронедверей" очень заинтересовалась в проведении испытаний замка Эльбор Сапфир: как на сопротивление физическому воздействию, так и на устойчивость к интеллектуальным методам взлома, то есть отмычками. И когда такая возможность воззникла, мы естественно не пренебрегли ею воспользоваться.
Испытания показали действительно высочайшие защитные качества этого российского замка и наши покупатели теперь смогут заказать бронедвери с этим дверным замком.
Замок верхний ЭЛЬБОР 1.06.02.XXX
Замок верхний врезной, сувальдный механизм на 1,5 млн. секретов, предусмотрена защита от распиливания, высверливания, выдавливания, возможна установка системы "краб".
Замок верхний ЭЛЬБОР 1.06.56.XXX
Замок верхний врезной, 5 ригелей по 18 мм. с вылетом 40 мм., сувальдный механизм на 1,5 млн. секретов.
Замок верхний ЭЛЬБОР 1.05.01.XXX
Замок верхний врезной, 5 ригелей по 14 мм. с вылетом 40 мм., сувальдный механизм на 1,5 млн. секретов, предусмотрена защита от распиливания, высверливания, выдавливания и взлома, маленькие габариты позволяют использовать этот замок в тонких дверях.
Замок верхний ЭЛЬБОР 1.05.02.XXX
Замок верхний врезной, 4 ригеля по 14 мм. с вылетом 40 мм., задвижка.
Замок верхний ЭЛЬБОР 1.05.03.XXX
Замок верхний врезной, 4 ригеля по 14 мм. с вылетом 40 мм., задвижка, возможна установка системы "краб".
Замок верхний ЭЛЬБОР 1.05.04.XXX
Замок верхний врезной, 4 ригеля по 14 мм. с вылетом 40 мм., задвижка, возможна установка системы "краб".
Замок верхний ЭЛЬБОР 1.04.04.XXX
Замок верхний врезной, 3 ригеля по 12 мм., сувальдный механизм.
Замок верхний ЭЛЬБОР 1.03.02.XXX
Замок верхний врезной, евроцилиндр, возможна установка броненакладки.
Нижние дверные замки
Замок нижний ЭЛЬБОР 1.07.02.XXX
Замок нижний врезной, 5 ригельный с защелкой, евроцилиндр, сувальдный механизм на 1,5 млн. секретов, для защиты от распиливания в одном из ригелей вставлен штифт с высокой твердостью, возможна установка системы "краб".
Замок нижний ЭЛЬБОР 1.06.31.XXX
Замок нижний врезной, 4 ригеля по 18 мм. с вылетом 40 мм. с защелкой, сувальдный механизм на 1,5 млн. секретов.
Замок нижний ЭЛЬБОР 1.06.42.XXX
Замок нижний врезной, сувальдный механизм на 1,5 млн. секретов, "ночной режим", предусмотрена защита от распиливания, высверливания, выдавливания, возможна установка системы "краб".
Замок нижний ЭЛЬБОР 1.04.24.XXX
Замок нижний врезной, 3 ригеля по 12 мм., защелка, сувальдный механизм.
Замок нижний ЭЛЬБОР 1.03.23.XXX
Замок нижний врезной, защелка, сувальдный механизм.
Замок нижний ЭЛЬБОР 1.04.03.XXX
Замок нижний врезной, 3 ригеля по 12 мм., сувальдный механизм.
Наши двери - ваша безопасность
ТМ
Последние комментарии форума «Весь мир бронедверей»: